Kühlung von Speisen in Großküchen
Praxiserfahrungen mit FlowIce-Anlagen
In Großküchen (z.B. von Krankenhäusern) wird zum Teil FlowIce verwendet, um vorgekochte Speisen schnell herunter zu kühlen. Die Speisen werden hierbei in großen doppelwandigen Kochkesseln, die elektrisch oder mit Dampf beheizt werden, zubereitet. Zur Abkühlung wird nach dem Kochvorgang Eisbrei durch den Mantelraum der Kessel gepumpt. Die Einhaltung der exakten Eiskonzentration ist dabei eine technische Herausforderung, die es zu meistern gilt.
Die Schwierigkeit beim Betrieb von FlowIce-Anlagen in Großküchen stellt vor allem die genaue Kenntnis über den exakten Eisanteil im Gemisch dar. Die kontinuierliche Bestimmung ist derzeit noch nicht möglich, so dass über die IST-Temperatur und den vorgegebenen Ethanol-Gehalt des Gesamtsystems die Eiskonzentration zu bestimmen ist. Da es während des Anlagenbetriebs aber immer wieder zu lokalen und zeitlichen Entmischungsvorgängen kommt, ist die Eiskonzentration und somit der Ethanolgehalt nicht im gesamten System gleich, was zu regelmäßigen Störungen führen kann. Ist der Ethanolgehalt zu hoch, so wird nicht genügend Eis erzeugt und die Schmelzwärme kann nicht zur Kühlung genutzt werden. Ist der Ethanolgehalt zu gering, so kommt es bei schabenden Eiserzeugern zu erheblichen Schäden.
Einleitung
FlowIce – auch bekannt unter Binäreis, Eisbrei, Smart-Ice, Flüssigeis, Ice-Slurry etc. – ist ein Gemisch aus Wasser und einem gefrierpunktabsenkenden Additiv, welches in Deutschland meist ein Alkohol ist (in diesem Fall wird sich auf Ethanol beschränkt.). Es besitzt sehr gute Eigenschaften hinsichtlich der Wärmeleitung sowie des Wärmeübergangs, da es gegenüber reinem Eis durch die Ausbildung vieler einzelner Eiskristalle in der Suspension eine größere spezifische Oberfläche aufweist. Dieser Vorteil und die zur Verfügung stehende Schmelzwärme von ca. 333 kJ/kg werden bei der Kühlung von Speisen in Großküchen ausgenutzt.
Allerdings stehen diesen Vorteilen einige betriebsbedingte Schwierigkeiten gegenüber. Das größte Problem stellen die kontinuierliche Messung der Eiskonzentration und die automatische Anpassung der Betriebsparameter dar. Aufgrund der lokalen sowie zeitlichen Entmischungsvorgänge ist die Ethanol-Konzentration nicht im gesamten System identisch, was zu unbefriedigenden Kühlprozessen und erheblichen Schäden führen kann. Eine möglichst praktische Alternative soll mittels dieses Beitrags aufgezeigt werden.
Wasser-Ethanol-Gemisch
Das dem Wasser hinzugefügte Ethanol wirkt gefrierpunktabsenkend, so dass es erst bei Temperaturen unterhalb von 0 °C zur Ausbildung einzelner Eiskristalle kommt. Je höher der Ethanol-Gehalt ist, desto tiefer ist die Temperatur, bei der die Eisbildung einsetzt (vgl. Bild 1). Mit zunehmender Eiskonzentration kommt es zur Erhöhung des Ethanol-Gehalts in der flüssigen Phase, da die Eiskristalle aus reinem Wasser bestehen. Entsprechend geringer ist der Wasseranteil in der flüssigen Phase. Aus diesem Grund setzt bei einem Ethanol-Gehalt von beispielsweise 9 %(m) bei 20 °C die Eisbildung zwar bereits bei -4 °C ein, jedoch sinkt der Gefrierpunkt mit zunehmender Eiskonzentration und liegt bei einer Eiskonzentration von 25 %(m) bei -5,5 °C.
Diese Besonderheit der nicht gleichbleibenden Schmelztemperatur bei unterschiedlichen Eiskonzentrationen stellt sogleich eine Schwierigkeit für den Anlagenbetrieb dar, da es aufgrund lokaler und zeitlicher Unterschiede in der Eiskonzentration zu erheblichen Differenzen in der Kühlleistung kommen kann. Auch die hierdurch bedingte mögliche Beschädigung der Bauteile darf nicht außer Acht gelassen werden.
Daher sollte der Ethanol-Gehalt stets bekannt sein. Die Messung des Ethanol-Gehalts kann durch ein Absenken der Temperatur erfolgen, so dass sich ein Beharrungspunkt im Temperaturverlauf erkennen lässt (siehe Bild 2). Bei reinem Wasser liegt dieser bei 0 °C. Liegt ein Wasser-Ethanol-Gemisch vor, so liegt dieser Wert niedriger und entspricht der Temperatur, bei der die Eisbildung einsetzt. Auf diese Weise kann auf den Ethanol-Gehalt geschlossen werden. Diese Methode stellt jedoch keine kontinuierliche Messung dar, was jedoch die eigentliche Herausforderung für einen kontrollierten Anlagenbetrieb ist. Die hiesige Methode würde eine regelmäßige Entnahme von FlowIce aus dem Kreislauf erfordern. Da wegen lokaler und zeitlicher Entmischungsvorgänge die Ethanolkonzentration nicht im gesamten System identisch ist, stellt die entnommene Probe nicht zwingend eine Referenz für das Gesamt-FlowIce dar.
Anlagenbeschreibung
In dem hier vorliegenden Fall wird das FlowIce zur schnellen Kühlung zubereiteter Speisen verwendet. Die Speisen werden in großen doppelwandigen Kochkesseln zunächst gekocht und im Anschluss durch das Einbringen des FlowIce in den Zwischenraum heruntergekühlt.
Eiserzeugung
Die Erzeugung des Eises erfolgt in schabenden Eiserzeugern. Diese Bauteile stellen den Verdampfer der eigentlichen Kälteanlage dar. Die sogenannten Kratzverdampfer sind doppelwandig ausgeführt. Das verdampfende Kältemittel wird in den Ringspalt eingelassen und entzieht dem das Innenrohr durchströmende FlowIce Wärme. Auf der Innenrohroberfläche bildet sich eine Eisschicht, die durch rotierende Schaber kontinuierlich abgetragen wird (vgl. Bild 3).
Je nach Verdampfungstemperatur des Kältemittels und zum jeweiligen Zeitpunkt vorliegender Ethanol-Konzentration im FlowIce prägt sich die Eisschicht unterschiedlich stark aus. In der Folge variieren die Eiskonzentration des den Verdampfer verlassenden FlowIce und damit auch die zur Verfügung stehende Schmelzwärme zur Kühlung der Speisen.
Kochkessel
Die doppelwandig ausgeführten Kochkessel dienen zur Zubereitung sowie zur Kühlung der Speisen, wobei das Kochen durch Einleitung von Dampf in den Zwischenraum oder elektrisch erfolgen kann.
Mit Dampf betriebene Kochkessel
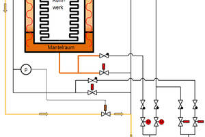
Der Aufbau eines mit Dampf betriebenen Kochkessels ist in Bild 5 für den Kühlvorgang dargestellt. Um die Speisen schnell herunter zu kühlen, wird FlowIce in den Mantelraum des Kessels sowie das Rührwerk geleitet. Durch Wärmeaufnahme schmelzen die Eiskristalle und das FlowIce verlässt den Mantelraum und das Rührwerk zum größten Teil im flüssigen Aggregatszustand. Anschließend wird es wieder den Eiserzeugern zugeleitet. Das System der Kühlsuspension bildet in dieser Zeit ein geschlossenes System.
Die Schaltung der Ventile während des Kochvorgangs ist in Bild 6 gezeigt. Zur Zubereitung der Speisen wird heißer Dampf in den Mantelraum, in dem sich während des Kühlvorgangs das FlowIce befand, eingeleitet. Das Rührwerk wird hierbei nicht durchströmt. Zu Beginn eines Kochvorgangs, mit dem ersten Einleiten von Dampf in den Mantelraum, wird somit FlowIce verdrängt. Das entstehende Gemisch aus dem angefallenen Kondensat sowie dem rein flüssigen FlowIce darf wegen des Ethanol-Gehalts nicht zurück in das Dampfsystem geführt werden.
Hierdurch ändert sich bei diesem Vorgang ebenfalls der Ethanol-Gehalt im FlowIce, welches nach Beendigung des Kochvorgangs erneut zur Kühlung benötigt wird. Dies führt dazu, dass sich eine veränderte Eiskonzentration einstellen wird und hat zur Folge, dass sich die zur Verfügung stehende Kühlleistung ändert.
Elektrisch betriebene Kochkessel
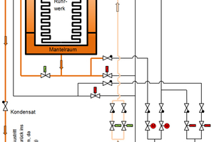
Der Kühlvorgang bei einem elektrisch betriebenen Kochkessel erfolgt auf die gleiche Weise wie bei einem mit Dampf betriebenen Kessel. Es wird FlowIce durch den Mantelraum sowie das Rührwerk geleitet (Bild 7). Es liegt bei der Kühlung der Speisen ein geschlossenes System vor, so dass sich die Ethanol-Konzentration im Gesamt-System in diesem Zeitraum nicht ändern kann.
Im Kochbetrieb werden die in den Mantelraum eingebrachten Heizspiralen genutzt. Durch die Temperaturerhöhung steigt der Druck im Mantelraum, so dass FlowIce ausgetragen wird, welches allerdings wieder dem System zugeführt wird (Bild 8). Eine Änderung des Ethanol-Gehaltes im Gesamtsystem kann im Regelfall nicht eintreten.
Ein elektrisch beheizter Kochkessel stellt hinsichtlich der Ethanol-Konzentration und der damit im weitesten Sinne gleichbleibenden Kühlleistung ein stabiles System dar. Eine Änderung der Ethanol-Konzentration kann wegen des zu jedem Zeitpunkt geschlossenen Systems nur zeitlich und lokal eintreten.
Schwierigkeiten im Betrieb
Die sich einstellende Eiskonzentration steht in direktem Zusammenhang mit dem vorliegenden Ethanol-Gehalt, so dass sich bei gleichbleibender Kälteleistung am Kratzverdampfer und abnehmendem Ethanol-Gehalt eine stärker ausgeprägte Eisschicht an der Innenrohroberfläche ausbildet. Die Eiskonzentration des in den Kochkessel geleiteten FlowIce wird größer, was wegen der damit größer werdenden zur Verfügung stehenden Schmelzwärme zu einem deutlichen Anstieg der dortigen Kühlleistung führt. Dieser Fall ist vorwiegend bei dampfbetriebenen Kochkesseln zu erwarten, da es beim Umschaltvorgang zwischen Kühlen und Kochen unweigerlich zum Ethanolaustrag kommt.
Anfänglich steht zwar die höhere Kühlleistung am Kochkessel zur Verfügung, was ein schnelleres Herunterkühlen der Speisen ermöglicht. Sogleich steigt die mechanische Beanspruchung des Schabers am Kratzverdampfer, was zu Schäden führen kann.
Gleichfalls kann die Ethanol-Konzentration auch zunehmen. Dies kann z.B. vorkommen, wenn der zu niedrige Ethanol-Gehalt bemerkt wurde und dem FlowIce in der Folge zu viel Ethanol zugegeben wurde. Die Gefahr einer mechanischen Beschädigung wegen eines zu hohen Ethanol-Gehalts kann jedoch ausgeschlossen werden, da mit zunehmendem Ethanol-Gehalt automatisch die Eiskonzentration sinkt, wenn die Kälteleistung am Verdampfer konstant gehalten wird. Durch die geringere Eiskonzentration sinkt aber auch die Kühlleistung am Kochkessel.
Eine weitere Herausforderung bei der Verwendung von FlowIce ist die Entmischung, die es gilt zu verhindern. Daher befindet sich zwischen dem Eiserzeuger und den Kochkesseln ein Eisspeicher. Dieser ist mit einem Rührwerk ausgestattet, um ein möglichst homogenes Gemisch zu erhalten, welches zur Kühlung zur Verfügung steht. Jedoch kann es bei ungenügender Durchmischung auch zur Bildung von ganzen Eisblöcken kommen. Eine Entmischung der Suspension kann auch innerhalb des Rohrnetzes stattfinden.
Die Schwierigkeit beim Betrieb einer FlowIce-Anlage stellt somit die Erfassung der exakten Eiskonzentration dar. Dies ist notwendig, um die zur Verfügung stehende Kühlleistung zu bestimmen. Die Eiskonzentration darf nicht zu stark ansteigen, um Schäden am Eiserzeuger zu verhindern.
Schadensbilder
Bei FlowIce-Anlagen kommt es in erster Linie zur Beschädigung der Kratzverdampfer bzw. der dort rotierenden Schaber (Schaberschaufeln, Lager und Motor). Zu einer mechanischen Beschädigung dieses Bauteils kommt es, wenn die Eiskonzentration im Verdampfer zu groß ist (Schadensbilder siehe Bild 11). Muss ein zu großes Drehmoment beim Abschaben der Eisschicht aufgebracht werden, steigt die Stromaufnahme des Motors, der aus diesem Grund heiß laufen kann, so dass auch eine dortige Beschädigung nicht unwahrscheinlich ist.
Schadensursachen
Die Ursache für die Beschädigung des Verdampfers wegen eines zu großen Drehmoments ist die zu stark anwachsende Eisschicht auf der Innenrohroberfläche, die in direktem Zusammenhang mit der Ethanol-Konzentration steht. Dementsprechend ist ein Absinken der Ethanol-Konzentration im Eiserzeuger für die Schädigung ursächlich.
Je nach vorhandener Menge an Eiskristallen im Gesamtsystem verändert sich die Ethanol-Konzentration in der flüssigen Phase. Hat sich wenig Eis gebildet, so ist die Ethanol-Konzentration in der flüssigen Phase relativ gering und hat sich bereits viel Eis gebildet, so liegt in der flüssigen Phase eine höhere Ethanol-Konzentration vor. Die Eisschicht bildet sich daher zu Beginn der Eiserzeugung schneller als zu einem späteren Zeitpunkt, wobei hierfür eine gute Durchmischung des Gesamtsystems Voraussetzung ist.
Eine weitere Möglichkeit dafür, dass sich mehr Eis bildet, ist die Abnahme des Ethanol-Gehalts im gesamten System, wie z. B. durch das Abführen von Ethanol während des Umschaltvorgangs bei dampfbetriebenen Kochkesseln. Hierdurch erhöht sich der Schmelzpunkt des FlowIce und die Eisbildung setzt bereits zu einem früheren Zeitpunkt ein. Der Ethanol-Gehalt kann sich aber auch bei Systemen mit elektrisch betriebenen Kochkesseln verringern, da die Eispeicher oftmals nicht absolut dicht ausgeführt sind und sich das Ethanol verflüchtigen kann.
Schlussfolgerungen
Ob eine zu geringe oder eine ausreichende Kälteleistung am Kochkessel vorherrscht, was eine Mindesteiskonzentration voraussetzt und daher eventuell zu mechanischen Schäden am Kratzverdampfer führen könnte, wenn die Eisbildung wiederum zu groß wird, hängt vom Ethanol-Gehalt im Gesamtsystem sowie dem lokalen Ethanol-Gehalt ab. Die Erfassung des Ethanol-Gehalts kann zum einen nur lokal und darüber hinaus derzeit auch noch nicht kontinuierlich erfolgen. Deswegen ist die denkbare Anpassung des Verdampfungsdrucks auf den Ethanol-Gehalt heutzutage nicht umzusetzen. Eine Alternative wäre die Anpassung des Ethanol-Gehalts an den Verdampfungsdruck der Kälteanlage. Dies ist jedoch auch nur annähernd möglich, da die Änderung des Ethanol-Gehalts aus dem vorherigen Betriebsverhalten der Gesamtanlage bekannt sein müsste. Z.B. könnte eine bestimmte Menge Ethanol regelmäßig nachgefüllt werden. Um jedoch Schäden an den Kratzverdampfern wirksam zu vermeiden, sollte der Verdampfungsdruck der Kälteanlage auf die Stromaufnahme des Schaberantriebs angepasst werden. Die Stromaufnahme des Schabers ist proportional zum Drehmoment des Schabers, welcher von der Stärke der Eisschicht abhängt. Ein weiterer Vorteil ist die Berücksichtigung der wahren Eiskonzentration im Eiserzeuger.
Insgesamt wird deutlich, dass der zuverlässige Betrieb von FlowIce-Anlagen eine genaue Abstimmung zwischen der Ethanolkonzentration und den Schaltpunkten erfordert. Schwierigkeiten bereiten hierbei insbesondere die temporären, lokalen und teilweise dauerhaften Änderungen der Ethanol-Konzentration, die zu Störungen bis hin zum Totalausfall der Anlage führen können. Die Sollwerte müssen daher regelmäßig an den IST-Zustand angepasst werden, wobei eine automatische Anpassung optimal wäre. Besondere Vorsicht ist bei offenen Systemen (dampfbeheizte Kochkessel) geboten, bei denen es zu schnellen Änderungen der Ethanolkonzentration kommen kann.
